General Description
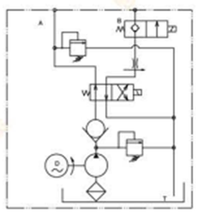
The hydraulic power unit is composed of DC motor,high pressure gear pump,multi-purpose integrated manifold, solenoid valve, tank and other parts.It is a typical hydraulic circuit of power up and power or gravity drop.The down pressure is controlled by the second relief valve ,and the down speed is adjusted automatically by the pressure compensation type throttle valve.It is widely used in small dump truck, hydraulic winch, anti-collision buffer car, etc.
Outline Dimension

Hydraulic circuit optional 047

Model Specifications

Special Notes
1.For different fiow rate pump.pressure and motor power,please check the ordering guidance.
2.This motor is based on gap working system S2=2 – 4min(continuous working time),so it cannot run continuously.
3.Before installation,the cylinder,oil pipe,joint and other hydraulic components must be cleaned and free from any impurities.
4.The viscosity of hydraulic oil should be 15-68cst and should be clean and free of impurities.HiM46 hydraulic oil is recommended.
5.If you need manual oil discharge device for emergency.please specify when ordering.
6.Check that whether there is enough oil in the oil tank immediately after the first operating of the system.
7.The hydraulic oil should be replaced after the first 100 hours'use of the system, and change the oil every 3,000 hours after that.
General Description
The hydraulic power unit is composed of DC motor,high pressure gear pump,multi-purpose integrated manifold, solenoid valve, tank and other parts.It is a typical hydraulic circuit of power up and power or gravity drop.The down pressure is controlled by the second relief valve ,and the down speed is adjusted automatically by the pressure compensation type throttle valve.It is widely used in small dump truck, hydraulic winch, anti-collision buffer car, etc.
Outline Dimension

Hydraulic circuit optional 047

Model Specifications

Special Notes
1.For different fiow rate pump.pressure and motor power,please check the ordering guidance.
2.This motor is based on gap working system S2=2 – 4min(continuous working time),so it cannot run continuously.
3.Before installation,the cylinder,oil pipe,joint and other hydraulic components must be cleaned and free from any impurities.
4.The viscosity of hydraulic oil should be 15-68cst and should be clean and free of impurities.HiM46 hydraulic oil is recommended.
5.If you need manual oil discharge device for emergency.please specify when ordering.
6.Check that whether there is enough oil in the oil tank immediately after the first operating of the system.
7.The hydraulic oil should be replaced after the first 100 hours'use of the system, and change the oil every 3,000 hours after that.
No. 13, Kuangda Road, Panjia, Wujin District, Changzhou City, Jiangsu Province
+86-13806122516